令和7年度技術士一次試験建設部門[専門科目]問題の解答と解説です。
基本的に技術士一次試験は知識中心の試験です。
よく読んで理解して覚えれば合格します。
知らない問題や理解できない問題は参考書やインターネットで調べてください。
技術士一次試験は二次試験のパスポートです。
なるべく早めに受験して合格し技術士を目指しましょう。
技術士一次試験建設部門[専門科目]問題の解答と解説
Ⅲ 次の35問題のうち25問題を選択して解答せよ。(解答欄に1つだけマークすること。)
技術士一次試験建設部門[専門科目]|Ⅲー1
下図は、定水位透水試験の模式図である。容器Ⅰの中に長さL、断面積の円筒形の砂供試体を作製し、容器上部の水面を一定位置に保ちながら給水を行う。砂供試体を通過した水を、パイプを通して容器Ⅱに導き、容器Ⅱの水位を一定に保ちながら、あふれる水の量を測定する(このとき、水頭差は一定に保たれる)。容器Iから水があふれないように給水し、定常状態になったときを見計らって、容器Ⅱからあふれる水の量を測定すると、単位時間当たりの流量がであった。ダルシーの法則が成り立つとき、この砂供試体の透水係数kとQ、h、L、Aの関係を表している式として、最も適切なものはどれか。

正解は⑤
ダルシーの法則でQ=KiA に基づく。水頭勾配 i は h/k で表され。これらを代入し整理すると、

技術士一次試験建設部門[専門科目]|Ⅲー2
上層が砂、下層が飽和正規圧密粘土の水平成層地盤がある。層厚は、上層の砂地盤が10m,下層の粘土地盤が12mである。地下水位は地表面と一致し、地盤の静止土圧係数K。は上層,下層でともに0.5である。砂の飽和単位体積重量はy sat=20kN/m³,粘土の飽和単位体積重量はy sat=18kN/m³, 水の単位体積重量はyw=10kN/m3である。 静水圧状態を仮定し、下層の粘土層中心部(深度16m) における鉛直有効応力と水平応力(全応力)の値として、最も適切な組合せはどれか。
① 鉛直有効応力:148kN/m²,水平応力:74kN/m²
② 鉛直有効応力:308kN/m²,水平応力:160kN/m²
③ 鉛直有効応力:308kN/m²,水平応力:154kN/m²
④ 鉛直有効応力:148kN/m²,水平応力:234kN/m²
⑤ 鉛直有効応力:148kN/m²,水平応力:154kN/m²
正解は④
粘土層中心部{深度 16m}における鉛直有効応力σ’v は、全応力σv-間隙水圧 u で求める。
σ’v=砂層水中単位重量×10m+粘土層水中単位重×6m=(20-10)×10 + (18-10)×6=148kN/m2
水平応力σh(全応力)=水平有効応力σ’h+間隙水圧 u
σ’h=Ko×σ’v=0.5×148=74kN/m2、u=γw×16m=10×16=160kN/m2
σh=74+160=234kN/m2、となります
技術士一次試験建設部門[専門科目]|Ⅲー3
土の基本的性質に関する次の記述のうち、最も不適切なものはどれか。
① 細粒土のコンシステンシー限界の1つで、土を練り返したときの液性状態と塑性状態の境界の含水比を液性限界という。
② 土中の間隙が水で完全には満たされず、一部に気体が存在する状態を不飽和という。
③ 粒度(粒径分布若しくは粒度分布ともいう。)とは、土を構成する土粒子を粒径によって区分けしたときの分布状態のことで、塑性図によってこれを知ることができる。
④ 最大間隙比とは、砂の最も緩い状態における間隙比のことであり、砂の相対密度を求めるために必要な間隙比の1つである。
⑤ 土の単位体積当たりの質量を土の密度といい、土粒子の質量だけを考える場合を乾燥密度という。
正解は③
粒度(粒径分布)は、土を構成する粒子の大きさの分布状態を示すものです、これに対して塑性図は、細粒土の液性限界(WL)と塑性指数(IP)を用いて土の分類を行うための図であり、粒度(粒径分布)を塑性図で直接知ることはできません。
技術士一次試験建設部門[専門科目]|Ⅲー4
構造物の基礎に関する次の記述のうち、最も不適切なものはどれか。
① 浅い基礎の鉛直支持力は、底部での支持力 (杭等の場合は、先端支持力)に基礎周面と地盤との摩擦抵抗力(周面摩擦力)を加えたものである。
② 杭には木杭、鋼杭、コンクリート杭、複合杭等があり、工場等で製造された既製杭と、 現場において地盤に削孔してコンクリートを打設して製造する場所打ちコンクリート杭に大別される。
③ 浅い基礎の沈下は、即時沈下と圧密沈下に分けられる。即時沈下は荷重の載荷にともなう全応力変化とほぼ同時に発生する沈下であり、圧密沈下は長期にわたって過剰間隙水圧の消散とともに継続的に発生する沈下である。
④ 浅い基礎は、フーチング基礎と、上部構造のすべての柱や壁からの荷重を単一の基礎スラブで支持するべた基礎に分けられる。
⑤ 既製杭の設置方法として、杭を地盤に打ち込む打込み杭、圧入することにより設置する圧入杭と、あらかじめ排土した部分に設置したり、杭の中空部を利用して地盤を掘削しながら設置したりする埋込み杭がある。
正解は①
浅い基礎(直接基礎)の鉛直支持力は、基礎の底部(底面)で地盤が抵抗する支持力(極限支持力)のみで評価されます。基礎の周面と地盤との摩擦抵抗力(周面摩擦力)を考慮するのは、主に摩擦杭などの深い基礎(杭基礎)の支持力を計算する場合である。
技術士一次試験建設部門[専門科目]|Ⅲー5
長さ の片持ちばりに対して、固定端から距離の位置に集中荷重が鉛直下向きに静的に作用している。集中荷重は弾性変形を生じさせるのに十分に大きい正の値である。はりの断面二次モーメントはヤング率はであり、長手方向に一定とする。せん断変形を無視した場合、この片持ちばりの先端のたわみ♪ [mm] として、最も適切なものはどれか。ただし、距離a は正の値である。 E[N / m * m ^ 2] I[m * m ^ 4] [mm] a[mm] L[mm] P[N] P[N]

正解は①
片持ちばりの先端のたわみδは、荷重作用点 C(距離 a)のたわみδa と、C 点の回転角θa による直
線部分のたわみθa(L―a)の和で決まり。
δa=Pa^3/(3EI)、θa=Pa^2/(2EI) ∴δ=δa+θa(L-a)=Pa^3/(3EI)+Pa^2/(2EI)(L-a)
=Pa^2/(6EI)(3L-a)
になる
技術士一次試験建設部門[専門科目]|Ⅲー6
長さL [mm] の単純ばりに対して、う の単純ばりに対して、支点Bに反時計回りにモーメント荷重Mが静的かつ弾性内で作用している。この単純ばりの支点Aの鉛直反力Va[N] と支点Bの鉛直反力Vb{N}の組合せのうち、最も適切なものはどれか。

正解は②
支点 A 周りのモーメントの釣り合いは、ΣMA=M-VB×L=0 ∴VB=M/L
VA は VB と逆向きで大きさは同じなので、②が正しいです。
技術士一次試験建設部門[専門科目]|Ⅲー7
鋼構造物の溶接継手の設計上の留意点に関する次の記述のうち、最も不適切なものはどれか。
① 連結部の構造はなるべく単純にし、応力の伝達を明確にする。溶接の集中,交差は避け、必要に応じてスカラップ (切欠き) を設ける。
② 衝撃や繰返し応力を受ける継手はできるだけ全断面溶込みグループ (開先) 溶接にする。
③ 構成する各材片においてなるべく偏心がないようにし、できるだけ板厚差の少ない組合せを考える。
④ 溶接箇所はできるだけ少なくし、溶接量も必要最小限とする。
⑤ 溶接継手の組立方法、溶接順序を十分考慮し、できるだけ上向き溶接が可能な構造とする。
正解は⑤
溶接作業は、重力の影響で溶融金属が垂れやすいため、溶接姿勢によって作業難易度や品質に差が出ます。
一般に、下向き溶接(水平面に対し上から下へ溶接する姿勢)が最も作業しやすく、品質も安定
し。これに対し、上向き溶接(水平面に対し下から上へ溶接する姿勢)は最も難しく、効率も品質
も低下しやすいです。
したがって、設計段階では、作業性の良い下向き溶接が可能な構造を優先的に考えるべきであり、「で
きるだけ上向き溶接が可能な構造とする」という記述は不適切です。
技術士一次試験建設部門[専門科目]|Ⅲー8
鋼材の腐食及び防食に関する次の記述のうち、最も不適切なものはどれか。
① 厚膜被覆は、ゴムやプラスチックなどの有機材料を1mm以上の厚膜に被覆した長期間の耐食性を有する防食法であり、主として港湾・海洋鋼構造物の飛沫・干満部の防食に用いられる。
② 防食下地として塗装されるジンクリッチペイントは、塗膜中に含まれる亜鉛末が鋼材表面に接触しており、塗膜に傷が入った場合などに犠牲防食作用を発揮して鋼材の腐食を防ぐ役割を担っている。溶出した亜鉛は、水分と反応して亜鉛化合物を生成して保護皮膜を形成する。
③ 耐候性鋼材は、リン、銅、ニッケル、クロムなどを少量添加した低合金鋼材であり、 適度な乾湿の繰返しを受け、塩化物イオンのほとんどない環境で鋼材表面に形成される緻密な保護性錆びにより腐食の進展を抑制する。このため、耐候性鋼材は腐食性の高い環境に適用される。
④ 溶融めっきは、溶融した金属浴に鋼材を浸漬させ、鋼材表面にめっき皮膜を形成させる防食法であり、めっき材に用いる金属として亜鉛、アルミニウム、亜鉛・アルミニウム合金などがある。
⑤ 金属溶射は、鋼材表面に溶融した金属材料を溶射して形成した溶射皮膜が腐食因子や腐食促進物質の鋼材への到達を抑制して鋼材を保護する防食法である。溶射直後の皮膜には多くの気孔が存在し、この気孔に水分などの腐食因子が侵入し不具合が生じることを防ぐため、金属溶射後に封孔処理が必要となる。
正解は③
耐候性鋼材は保護性錆び(緻密な不動態皮膜)を形成することで腐食の進行を抑制します、この保護
皮膜は塩化物イオンの少ない大気環境下で適度な乾湿の繰り返しにより安定して形成されることが条件
ですので耐候性鋼材は腐食性の高い環境(例:海岸近くの飛沫帯、海水中など、塩化物イオンが多い環境)に適用すると、保護皮膜が形成・維持できずにかえって通常の鋼材よりも速く腐食が進行する可能性があるため、不適です。
技術士一次試験建設部門[専門科目]|Ⅲー9
鋼橋の維持管理に関する次の記述のうち、最も不適切なものはどれか。
① 板厚方向に引張力が作用する部位の溶接部に、板表面と平行に剥離状の割れが生じる溶接欠陥のことをラメラテアという。
② 溶接補修では、対象となる鋼材の溶接性と、溶接の作業環境に十分に配慮する必要がある。判断を誤ると、溶接割れなどの欠陥が発生し、補修効果が得られないことになる。
③ 疲労とは、時間的に変動する荷重が部材に繰返し作用することによりき裂が発生し、 それがさらなる荷重の繰返しによって徐々に進展し、最終的に延性破壊やぜい性破壊につながる破壊現象である。
④ 遅れ破壊とは、高強度鋼に一定の引張負荷を持続的に与えた場合、ある時間経過後に、 突然、ぜい性的な破壊が生じる現象であり、例えばF10TやF8Tなど、引張強度がおおむね1000N/mm²以下の摩擦接合用高力ボルトで発生しやすい。
⑤ 橋の端部は、雨水や土砂の堆積、風通しの悪さなどにより、厳しい腐食環境となりやすい。
正解は④
遅れ破壊は、高強度鋼に引張応力が作用した状態で、鋼材内部に侵入した水素が集中し、ぜい性破壊を
引き起こす現象である事で。この現象は、引張強度がおおむね 1000N/mm2 を超える、より高強度の鋼材
(超高強度ボルトなど)で発生しやすく。F10T や F8T といった摩擦接合用高力ボルトは、引張強度が
約 800~1000N/mm2 程度であり、遅れ破壊は発生しにくいか、または通常考慮する必要がない程度で
ある。したがって、「引張強度がおおむね 1000N/mm2 以下の高力ボルトで発生しやすい」とする記述は
不適切です。
技術士一次試験建設部門[専門科目]|Ⅲー10
コンクリートの材料に関する次の記述のうち、最も不適切なものはどれか。
① 細骨材及び粗骨材は、清浄、堅硬、劣化に対する抵抗性をもち、化学的及び物理的に安定し、有機不純物,塩化物等を有害量含まないものとする。
② 練混ぜ水は、コンクリートの凝結硬化、強度の発現、体積変化、ワーカビリティ一等の品質に悪影響を及ぼさず、鋼材を腐食させるような物質を有害量含んでいないものとする。
③ 混和材の中の膨張材は、コンクリートの乾燥収縮ひずみや自己収縮ひずみ等に起因するひび割れの発生を低減できる。
④ コンクリート用化学混和剤には、コンクリートのワーカビリティーや圧送性の改善、 単位水量の低減、耐凍害性の向上、水密性の向上等の効果が期待できる。
⑤ ポルトランドセメントには、普通、早強、超早強,中庸熱,高熱,耐硫酸塩の6種類がある。
正解は⑤
ポルトランドセメントの JIS 規格(JIS R 5210)には、普通、早強、超早強、中庸熱、耐硫酸塩の 5
種類が定められています、選択肢にある「断熱セメント」は、JIS 規格には存在しません。断熱セメント
は、セメントに含まれる水和熱を低く抑える目的で使われるセメントを指すことが多いが、中庸熱ポ
ルトランドセメントがその役割の一部を担う。したがって、ポルトランドセメントの種類を 6 種類と
し「断熱」を含める記述は誤りです。
技術士一次試験建設部門[専門科目]|Ⅲー11
鉄筋コンクリート構造に関する次の記述のうち、最も不適切なものはどれか。
① かぶり部分のコンクリートは、耐久性を確保するうえできわめて重要であり、確実に充填することが必要である。
② 鉄筋の強度を十分に発揮させるために、鉄筋端部がコンクリートから抜け出さないよう、コンクリート中に確実に定着しなければならない。
③ 鉄筋の継手の種類によっては、その部分におけるコンクリートのゆきわたりが悪くなることがあるため、継手は同一断面に設けるのが原則である。
④ 鉄筋とコンクリートとの間で付着が確保され、かつ、鉄筋は、コンクリートで防護されていなければならない。
⑤ 鉄筋の配置は、鉄筋とコンクリートの力学的な相互作用の効果を確保し、かつ、コンクリートの打込みや締固めを考慮して定める必要がある。
正解は③
鉄筋コンクリート構造において、鉄筋の継手(重ね継手、機械式継手など)は、その部分で鉄筋の断
面積が局所的に増大し、コンクリートの充填性や流動性を阻害する要因となる。そのため、継手が集
中するのを避け、部材の同一断面(同一位置)に設ける鉄筋の継手の割合は、原則として半分以下に
することが規定されている。これに対し、「継手は同一断面に設けるのが原則である」という記述は、
継手の集中を避けるという設計原則に反するので、不適切です。
技術士一次試験建設部門[専門科目]|Ⅲー12
コンクリート構造物に対する作用や環境と、それから推定される劣化機構の組合せとして、最も不適切なものはどれか。
作用・環境 劣化機構
① 凍結防止剤使用 塩害、アルカリシリカ反応
② 繰返し荷重 疲労,すりへり
③ 海岸地域 塩害,化学的浸食(硫酸塩劣化)
④ 二酸化炭素 中性化と水の浸透に伴う鋼材腐食
⑤ 寒冷地域 すりへり
正解は⑤
寒冷地域におけるコンクリート構造物の主要な劣化機構は、水の凍結融解による凍害である。凍害
は、コンクリート内部の水分が凍結・融解を繰り返すことで体積膨張し、コンクリートにひび割れや
剥離を引き起こす現象である。一方、すりへり(摩耗)は、車両や土砂などによる物理的な摩擦作用
が原因である。寒冷地域で凍害と摩耗が複合的に発生することもあるが、寒冷地域という環境から直
接推定される最も主要な劣化機構として「すりへり」を挙げるのは、凍害と比較して適切ではないです。
技術士一次試験建設部門[専門科目]|Ⅲー13
Ⅲ-13 市街地開発事業に関する次の記述のうち、最も適切なものはどれか。
① 都市計画法に基づく市街地開発事業は、土地区画整理事業と市街地再開発事業の2つである。
② 土地区画整理事業と市街地再開発事業は、それぞれ「土地区画整理法」と「市街地再開発法」に定められた方法で実行される。
③ 土地区画整理事業は、建物をすべて取り壊し、新しい大規模なビルを建設することになる。そのため、歴史的な建物や街並みが失われ、周辺との建築形態等が大きく異なる等の問題も多い。
④ 市街地再開発事業は、農地や既成市街地を対象とし、街路や駅前広場の整備等に適用できる。既成市街地を対象とした事業の場合、宅地区画が細分化されているため、減歩を伴う事業は地権者等との調整が困難な場合が多い。
⑤ 土地区画整理事業は、面積も小さく点的な整備事業である。市街地再開発事業は、件数、計画面積ともにかなり多く、地区当たりの面積も大きく面的整備事業である。
正解は②
土地区画整理事業はその名称が示す通り「土地区画整理法」に基づき、主に道路、公園などの公共
施設の整備と宅地の整形化・利用増進を図る面的な整備手法です、一方、市街地再開発事業は、「市
街地再開発法」に基づき、都市の老朽化した建物や機能の更新を図り、特に高層建築物を建設して土地の高度利用を促進する事業であります。
これら二つの主要な市街地開発事業は、それぞれ独立した特別法を根拠として定められた方法で実行されるため、
記述②が正しいです。
技術士一次試験建設部門[専門科目]|Ⅲー14
コンパクトシティに関する次の記述のうち、最も不適切なものはどれか。
① コンパクトシティ政策とは、地域にとって負担となる郊外開発の抑制や、中山間地の居住者の都市部への移転を促す政策である。
② 欧州では、1980年代後半から土地利用計画と交通計画の融合という観点から、コンパクトシティの実現に向けた取組がなされてきたが、我が国では、2000年を過ぎるまで、国の政策としてはまったく考慮されていなかった。
③ 2012年に「都市の低炭素化の促進に関する法律」が施行され、市町村や民間が低炭素化を通じた都市のコンパクト化を進めるための後押しがなされるようになった。
④ 立地適正化計画は、2014年に都市再生特別措置法において新たに創設された制度である。市街化区域の中に都市機能を集約する「都市機能誘導区域」と、住宅を誘導する 「居住誘導区域」を指定する。何を都市機能とするかは自治体によって自由に指定することができる。
⑤ コンパクトシティ政策を推進するうえでは、都市の密度だけではなく、居住者の生活スタイルや行動パターンを含めた検討を行うことが重要である。
正解は①
コンパクトシティ政策は、都市機能や居住を都市の中心部や公共交通の結節点に集約していて、効率的で持続可能な都市構造を目指す政策です。この政策は、無秩序な郊外への拡大(スプロール現象)を抑制することを目的としているが中山間地の居住者を強制的に都市部へ移転させることを直接の目的とするものではありません。地域の実情に応じて郊外や中山間地を含む地域全体の将来像を描き、サービス提供の効率化を図ることが主眼であるからです。
技術士一次試験建設部門[専門科目]|Ⅲー15
都市防災に関する次の記述のうち、最も不適切なものはどれか。
① 国土交通省が2013年に提示した防災都市づくり計画策定指針では、多様なリスクを考えるという姿勢で取り組むこと、都市計画の目的として防災を明確に位置付けること、 しっかりとしたリスク評価に基づいて都市づくりを行うこと、こうしたリスクを開示して自助・共助の力を地域に根付かせること、等がうたわれている。
② 2020年には災害ハザードエリアにおける開発抑制が講じられ、災害危険区域等の災害レッドゾーンでは開発許可が原則禁止され、浸水ハザードエリア等においても住宅等の開発許可が厳格化され、安全・避難上の対策が許可の条件となった。
③ 立地適正化計画においては、防災を主流化し、災害レッドゾーンを居住誘導区域から原則除外すること、防災対策・安全確保を定める防災指針を作成することとなった。さらに、災害ハザードエリアからの移転を促進するための事業も整備された。
④ 都市計画法施行令においては、おおむね10年以内に優先的かつ計画的に市街化を図るべき区域として市街化区域を設定する際、溢水,湛水,津波、高潮等による災害の発生のおそれのある土地の区域についての基準はない。
⑤ 2005年の水防法改正でハザードマップの周知が義務化され、浸水リスクの見える化が図られた。浸水リスクの予測技術の進展により、土砂災害、液状化等の多様な災害リスクが見える化され、土地利用としての反映も可能となった。
正解は④
都市計画法施行令では、市街化区域を設定する際「溢水」「湛水」「津波」「高潮等」による災害の発生のお
それのある土地の区域については、その区域の特性を踏まえて開発を抑制し、安全な市街化を促すた
めの基準が設けられています、特に、2020 年の都市計画法施行令改正により、市街化区域を設定する基
準として、災害リスクの高い区域(災害レッドゾーンなど)を適切に考慮するよう明確化され、開発を抑制する措置が講じられ。したがって、「基準はない」とする記述は事実に反するため不適切です。
技術士一次試験建設部門[専門科目]|Ⅲー16
国土形成計画に関する次の記述のうち、最も不適切なものはどれか。
① 国土づくりの転換を迫る新たな潮流を踏まえ、全国総合開発法を抜本的に見直し、国土形成計画法とする法律改正が2005年に行われた。
② 国土形成計画とは国土の利用、整備及び保全を推進するための総合的かつ基本的な計画であり,全国計画と広域地方計画からなる。
③ 全国計画は、国土交通大臣が自治体からの意見聴取等の手続を経て案を作成し、閣議で決定する。
④ 広域地方計画は、9つのブロック (北海道,東北圈,首都圈,北陸圈,中部圈,近畿圈,中国圈,四国圈,九州・沖縄圏) についてそれぞれ策定される。
⑤ 広域地方計画は、国と地方の協議により策定するために設置された広域地方計画協議会での協議を経て、国土交通大臣が決定する。
正解は④
国土形成計画法に基づく広域地方計画は、全国を 8 つのブロックに分けて策定される。この 8 ブロッ
クとは、「北海道」「東北圏」「関東圏」「中部圏」「近畿圏」「中国圏」「四国圏」「九州圏・沖縄圏」です。選択
肢にある「9 つのブロック」は誤りであり、特に「首都圏」と「北陸圏」が独立したブロックとして挙げられている点が不適切です。関東圏が広域地方計画のブロックの一つである。
技術士一次試験建設部門[専門科目]|Ⅲー17
非圧縮性完全流体の定常流れでは、流線上で次式のベルヌーイの定理が成立する。

ここで、9は重力加速度、は水の密度,vは高さの点における流速,pは高さこの点における水の圧力である。
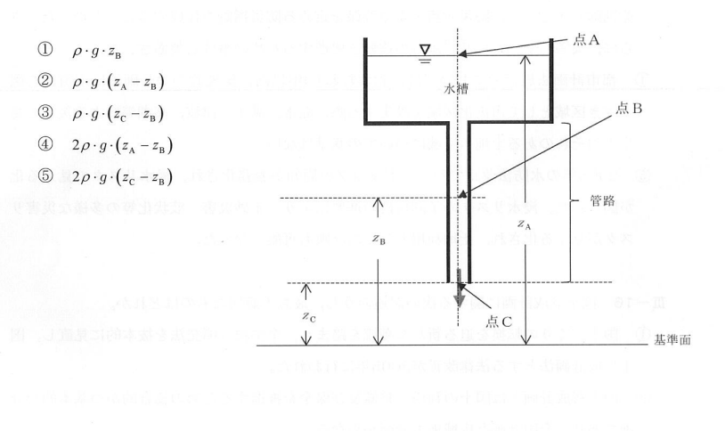
下図のように、水面の水位変化が無視できる十分広い水槽から、水槽に鉛直に取り付けられた断面積一定の細い管路で排水する場合、点Bと点Cの流速は等しくなる。このとき管路中心線上の点Bにおける水の圧力を、ベルヌーイの定理を適用して算出すると、最も適切なものはどれか。

正解は③
点 B と点 C の間でベルヌーイの定理を適用する。管路は断面積一定のため、連続の式より vB=vC が
成立し、速度水頭は相殺されまた点 C は管路下端で大気に開放されており、ゲージ圧は pC=0である。
(zB+pB/ρg+v^2B/2g)=(zC+pC/ρg+v^2C/2g) ∴zB+pB/ρg=zC
したがって、点 B の圧力 pB は、pB/ρg=zC―zB より、pB=ρg(zC―zB)となります。
技術士一次試験建設部門[専門科目]|Ⅲー18
河川の流出解析に関する次の記述のうち、最も不適切なものはどれか。
① 流出システムに含まれる主要な部分システムを数式で表現し、電子計算機を用いて再現・予測できるようにした数理モデルを流出モデルという。
② 流出モデルの工学的な目的として、洪水や渇水による河川流量を予測することなどが挙げられる。
③ 概念モデルとは、降雨一流量の変換過程を概念的に表現するモデルであり、代表的な概念モデルとして、貯留関数法やタンクモデルがある。
④ 流出モデルを空間的な構造の違いによって分類すると、集中型流出モデルと流動型流出モデルに分けられる。
⑤ 物理モデルとは、物理法則に基づく連続式と運動式をもとに、降雨から流出への変換過程を表現するモデルである。
正解は④
流出モデルを空間的な構造の違いによって分類すると、主に集中型流出モデルと分布型流出モデルに分けられる。集中型流出モデルは、流域全体を一つのブロックとして扱い、出口流量のみを計算し、一方、分布型流出モデルは、流域を細かいメッシュに分割し、各メッシュの流動を計算することで、流出過程を詳細に再現する。流動型流出モデルは、流出モデルの分類法として一般的ではないため、この記述は不適切です。
技術士一次試験建設部門[専門科目]|Ⅲー19
開水路の流れに関する次の記述のうち、最も不適切なものはどれか。
① 水路床から測ったその断面での単位体積重量当たりのエネルギーを水頭で表したものを比エネルギーという。
② ある一定の単位幅流量に対し、比エネルギーが最大となる水深を限界水深という。
③ ある断面の平均流速と長波の波速の比をフルード数と呼ぶ。
④ フルード数が1よりも小さければ常流,1よりも大きければ射流となる。
⑤ 水路床がわずかに上がるとき、常流ならば水面は低下し、射流ならば水面は上昇する。
正解は②
比エネルギー(E)は、水路床を基準とした断面における単位体積重量当たりの全エネルギー(水頭)であり、
E = y +v^2/2g で表される。ここで y は水深、v は平均流速です、比エネルギーが最小となる水深を限界水深(yc)と定義し、この状態で流れは限界流となる。したがって、「比エネルギーが最大となる水深を限界水深という」は、定義に反するため不適切です。
技術士一次試験建設部門[専門科目]|Ⅲー20
水中の土砂移動に関する次の記述のうち、最も不適切なものはどれか。
① 河川における流砂の輸送形態は掃流砂、浮遊砂、ウォッシュロードに大別される。
② ウォッシュロードは、流域にある断層、温泉余土などから生産される粘土・シルトや河岸浸食によって供給される微細粒子により構成される。
③ 砂堆は上流側が緩やかで、下流面は河床材料の水中安息角にほぼ等しい。
④ 移動床上で流れの速度を増加させると、移動床境界に作用するせん断力が増加し、土砂が移動するようになる。この限界のせん断力を限界掃流力という。
⑤ 河道のわん曲部内岸側は、洪水時の河床洗掘の激しい箇所の1つである。
正解は⑤
河川のわん曲部では、遠心力によって流れが外岸側に集中する。これにより、流速の増大や二次流の発生が起こり、外岸側の河床で洗掘(削り取られること)が最も激しくなる。一方、内岸側では流速が遅くなり、土砂が堆積しやすい傾向にある。したがって、「わん曲部内岸側は、洪水時の河床洗掘の激しい箇所の 1 つである」という記述は、流体力学的現象に反するため不適切です。
技術士一次試験建設部門[専門科目]|Ⅲー21
河川堤防に関する次の記述のうち、最も不適切なものはどれか。
① 浸透対策のドレーン工は、堤体内への河川水の浸透を防ぐ効果がある。
② 高規格堤防は、越流水による洗掘に対して安全である機能を有するよう設計するものとする。
③ 耐浸透性能の照査は、すべり破壊及びパイピング破壊に対する安全率等の許容値を設定し、これを超えないことを基本とする。
④ 河川堤防の余裕高は、計画高水流量に応じて定められた値以上とする。
⑤ 河川堤防の堤体材料としては、細粒分と粗粒分が適当に配合されていることが望ましい。
正解は①
ドレーン工は、堤防を浸透してきた水(浸透水)を効率的に集水・排除し、浸透水によって堤防裏法尻付近で発生する間隙水圧を低下させることを目的としているが、堤体内への河川水の浸透そのものを防ぐ効果はなく、浸透水の処理を目的とする対策です。
技術士一次試験建設部門[専門科目]|Ⅲー22
河川護岸に関する次の記述のうち、最も不適切なものはどれか。
① 低水護岸とは、堤防を保護するために低水路河岸の流水による侵食を防止することや、 低水路河岸の侵食や洗掘を抑制することを目的に設置される護岸である。
② 高水護岸とは、単断面河道である場合、あるいは複断面河道であるが高水敷幅が狭く、 堤防と低水路河岸を一体として保護しなければならない場合の護岸である。
③ のり覆工は、河道特性、河川環境等を考慮して、流水・流木の作用,土圧等に対して安全な構造となるよう設計することを基本とする。
④ 護岸の基礎工は、洪水による洗掘等を考慮して、のり覆工を支持できるよう、安全な構造となるように設計することを基本とする。
⑤ 根固工は、河床の変動等を考慮して、基礎工が安全となるよう、流体力の作用に対して安全な構造となるように設計することを基本とする。
正解は②
高水護岸とは、河川構造上、堤防のり面を保護するために設置される護岸のことである。複断面河道の場合、高水敷の低水路側河岸に設置される護岸は低水護岸であり、高水敷幅が狭く堤防と低水路河岸を一体として保護する必要がある場合に設置される護岸は、特に堤防護岸や複合護岸と呼ばれています。したがって、「高水護岸とは、堤防と低水路河岸を一体として保護しなければならない場合の護岸である」という記述は、高水護岸の一般的な定義(堤防のり面の保護)からの逸脱するため不適切です。
技術士一次試験建設部門[専門科目]|Ⅲー23
海岸工学に関する次の記述のうち、最も不適切なものはどれか。
① 防波堤に働く波圧の算定式として、広井式が提案された。
② 傾斜堤に対する波力公式として、波に対して安定な被覆材の最小重量を規定するハドソン式が利用される。
③ 海岸堤防や海底斜面等からなる複雑な海岸断面への打ち上げ高を推定するには仮想勾配法や改良仮想勾配法を適用する。
④ グリーンの法則は、湾内における津波の波高の変化を求める近似式として用いられている。
⑤ 屈折したあとの波向は、光の場合と同じようにネルソンの法則で与えられる。
正解は⑤
波浪の屈折現象を支配する法則は、ホイヘンスの原理に基づいて導かれるスネルの法則であり、光の屈折と同じ原理が適用される。スネルの法則は、水深によって波速が変わるため波向が変化する現象を説明します。
技術士一次試験建設部門[専門科目]|Ⅲー24
海岸保全施設の設計に関する次の記述のうち、最も不適切なものはどれか。
① 設計高潮位は、海岸保全施設の設計を行うため、当該海岸保全施設の背後地の状況等を考慮して、海岸管理者により定められる。
② 設計波は、海岸保全施設の設計を行うため、気象の状況及び将来の見通しを勘案して、 当該海岸保全施設に到達するおそれが多い波浪として、海岸管理者により定められる。
③ 堤防及び護岸は、設計高潮位以下の潮位の海水及び設計波の作用に対して安全な構造とするものとされており、津波の作用を考慮する必要はない。
④ 砂浜は、設計高潮位以下の潮位の海水及び設計波以下の波浪の作用に対して、長期的に安定した状態を保つことができるものとされている。
⑤ 消波堤の型式、天端高、天端幅及び法線は、設計高潮位の海水及び設計波の作用に対して、消波することにより汀線を維持する機能が確保されるよう定めるものとされている。
正解は③
海岸保全施設である堤防及び護岸は、設計高潮位と設計波の作用に対する安全性に加えて、津波の作用に対してもその影響を考慮し、必要な対策を講じる必要がある。特に、津波に対して背後地の生命・財産を保護する重要な役割を担う施設は、津波の作用を考慮した上で、津波の遡上や浸水被害を軽減できるような構造とすることが求められています。したがって、「津波の作用を考慮する必要はない」とする記述は、海岸保全施設の設計原則に反するため不適切です。
技術士一次試験建設部門[専門科目]|Ⅲー25
港湾の施設に関する次の記述のうち、最も不適切なものはどれか。
① 船舶が航行あるいは停泊する港湾区域内の水域を水域施設と総称する。水域施設には航路,泊地,船だまり、水門が含まれる。
② 航路は船舶が航行する水域であり、十分な幅と水深が確保されていなければならない。 航路の方向は、船舶の安全な航行に支障がないように、地形、風、波、潮流等の影響を十分に考慮して決める。
③ 港内の水域を静穏に保ち、漂砂による埋没を防ぎ、水際線の施設を波浪・高潮・津波から守るための施設を外郭施設と総称する。防波堤,防潮堤はいずれも外郭施設に含まれる。
④ 係留施設は船舶を安全に係留し、貨物の積卸しや旅客の乗降を円滑に行うための施設である。岸壁・物揚場,桟橋, ドルフィン (係船杭) はいずれも係留施設に含まれる。
⑤ 埠頭は、貨物の積卸しや旅客の乗降を行う区域の総称である。港湾管理者が公共用に管理運営する公共埠頭と、私企業が保有し運営する専用埠頭に分けられる。
正解は①
水域施設とは、港湾区域内で船舶が航行・停泊する水域の総称であり、主に航路、泊地、船だまりなど水面部分の施設を指します。一方、水門は水域を仕切る外郭施設や、水の流れを制御する臨港交通施設、あるいは背後地の防御のための防災施設に分類されます、水域施設には含まれません。
技術士一次試験建設部門[専門科目]|Ⅲー26
砂防施設に関する次の記述のうち、最も不適切なものはどれか。
① 砂防堰堤(砂防ダム) の水通しは、できる限り広くし、越流水深を小さくする方がよい。
② 流路工の計画河床勾配は、土砂の河道内の堆積を抑制するため、できるだけ急勾配となる方向で設定する。
③ 流路工の工事着手時期は、上流の砂防工事が進捗して、多量の流出土砂の流入による埋塞の危険がなくなるとともに、河床が低下傾向に転じた時期とする。
④ 土石流捕捉工は、必要に応じて除石を行って空容量を確保することを原則とする。
⑤ 急傾斜崩壊防止工法としての擁壁工は、アンカー工等とともに抑止工の一種である。
正解は②
流路工の計画河床勾配を急勾配に設定すると、水の流速が増加します、河床への洗掘作用が激しくなります。
流路工は、流速を緩和し、河床の安定を図ることを目的の一つとするため、土砂の堆積を抑制する目的で急勾配に設定するのではなく、土砂が移動しない限界勾配や、流れが安定するような緩やかな勾配となる方向で設定することが基本です。
技術士一次試験建設部門[専門科目]|Ⅲー27
我が国の電源別発電電力量について、2005年度,2010年度,2015年度,2020 年度の構成比率を見ると下表のとおりである。表中のA~Eの組合せとして、最も適切なものはどれか。

A B C D E
① LNG 石炭 原子力 再エネ 水力
② 石炭 LNG 再エネ 水力 原子力
③ 石炭 LNG 水力 原子力 再エネ
④ LNG 石炭 再エネ 原子力 水力
⑤ LNG 水力 再エネ 原子力 石炭
正解は④
まず東日本大震災を機に激減しているのは原子力ですから D が原子力であり、①②は消え。2020
年度で水力が 30%近く占めるわけもないので⑤も消え。あとは石炭と LNG、水力と再エネのど
ちらが多いかですが、伸びが著しい C が水力か再エネかと考えると再エネしかあります。
技術士一次試験建設部門[専門科目]|Ⅲー28
水力発電に関する次の記述のうち、最も不適切なものはどれか。
① 流込み式発電所は、河川の自然流量を調整せずに使用するため、河川流量の変動に従って発電力も変動する。
② 調整池式発電所は、豊水期の流量の1日分程度を調整できる容量の調整池を設け、負荷の変動に対応して発電するため、最大使用水量は流込み式発電所に比べて大きくとることができ、また、河水をより有効に利用できる。
③ 貯水池式発電所は、河川の洪水及び豊水期の流量を貯留しておき、渇水期に補給使用して発電する形式の発電所である。
④ 揚水式発電所は、発電地点を選定する場合の条件として、上部池と下部池との間に高落差が得られ、かつ、その間を短い水路で連絡できること等があげられる。
⑤ 揚水式発電所の設備は、一般水力発電所の貯水池式発電所や調整池式発電所と同じであるが、下部貯水池が必要なことと、水車がポンプ水車、発電機が発電電動機であることが異なっている。
正解は②
調整池式発電所の調整池は、主に日単位または週単位で河川流量を調整し、昼夜や曜日ごとの負荷変動に対応するために設けられる。これに対し、貯水池式発電所は、豊水期の流量を貯留し、渇水期にも利用できるように年単位の調整容量を持ちます。調整池式では貯水池式ほどの長期的な水利用の有効性はないため、「河水をより有効に利用できる」という表現は、一般に貯水池式発電所と比較して不適切です。
技術士一次試験建設部門[専門科目]|Ⅲー29
舗装の種類に関する次の記述のうち、最も不適切なものはどれか。
① アスファルト舗装とは、一般に表層,基層に加熱アスファルト混合物を用いた舗装をいう。
② コンポジット舗装とは、上層にセメント系の舗装、下層にアスファルト混合物による舗装構成の舗装をいう。
③ セメントコンクリート舗装とは、セメントコンクリート版を表層とする舗装をいい、 トンネル内や重交通道路等で採用される場合が多い。
④ グースアスファルト舗装とは、たわみ追従性に優れた舗装で、道路橋の鋼床版舗装として一般に用いられる。
⑤ 半たわみ性舗装とは、開粒度タイプの混合物を施工後、その空隙にセメントミルクを注入した舗装をいう。
正解は②
コンポジット舗装は、上層にアスファルト系の舗装し、下層にセメント系{セメントコンクリート版}
の舗装を組み合わせた、たわみ性と剛性を兼ね備えた舗装構成を指す。これは、セメントコンクリート版のひび割れ抑制と、アスファルト舗装の良好な走行性を両立させることを目的とし。つまり②は舗装構成が逆になっています。
技術士一次試験建設部門[専門科目]|Ⅲー30
鉄道の線路に関する次の記述のうち、最も不適切なものはどれか。
① 軌間とは、両側のレール頭部間の最短距離のことをいう。軌間が異なる鉄道間の乗り入れは極めて困難であるため、軌間は鉄道の重要な要素の1つである。
② 緩和曲線とは、直線と円曲線、あるいは方向の異なる2つの円曲線の接する点に列車が入る際の遠心力の変化を逓減し、車両を安全、快適に走行させるために曲線半径を徐々に変化させた曲線のことである。
③ スラックとは、曲線を車両が通過するときに外方に遠心力が働き、車両が外方に転倒するのを防ぐとともに乗り心地をよくするために外側のレールを高くする際の内側と外側のレールの高低差のことである。
④ 線路とは、列車又は車両を走らせる通路を構成する軌道,路盤、構造物等の総称である。また、狭義には、軌道,路盤,線路側溝及びこれらに付帯する諸設備のみを指す。
⑤ 施工基面とは、路盤の高さを示す基準面をいい、フォーメイション・レベルともいう。 基本的には水平な基準面が施工基面であり、これに排水こう配を付けたものが路盤面である。
正解は③
スラックとは、車両が曲線を円滑に通過できるよう、レールの軌間を広げる量、すなわち両レール頭部の内面間の距離が標準軌間より広くなることをいう。選択肢③の記述はカントのことである。
技術士一次試験建設部門[専門科目]|Ⅲー31
山岳トンネルの計画に関する次の記述のうち、最も不適切なものはどれか。
① 水路トンネルでは、通水量,通水断面積,流速等の相互関係を考慮して勾配を設定しなければならない。
② 2本以上のトンネルを隣接して設置する場合、先行施工と後行施工のトンネル相互の影響を検討のうえ位置を選定しなければならない。
③ トンネルの内空断面は、トンネルの安定性及び施工性を十分考慮して効率的な断面形状とする必要がある。
④ トンネルの坑口は、安定した地山で地形条件の良い位置に選定するよう努めなければならない。
⑤ トンネルの平面線形は、使用目的及び施工面からできるだけ直線とし、曲線を入れる場合はできるだけ小さい半径を採用しなければならない。
正解は⑤
トンネルの平面線形は、安全性を最優先し、極力緩やかな線形とすることが基本である。特に、曲線を採用する場合、列車の速度や自動車の設計速度に応じて、十分な余裕を持った大きな曲線半径を採用しなければなりません。
技術士一次試験建設部門[専門科目]|Ⅲー32
建設工事の施工法に関する次の記述のうち、最も不適切なものはどれか。
① バーチカルドレーン工法は、軟弱地盤中に鉛直な排水柱を設け、排水距離を短縮することによって圧密沈下及び強度増加を促進させる工法であり、排水柱の材料として砂を用いる場合はサンドドレーン工法と呼ぶ。
② 深層混合処理工法は、塊状、粉末状あるいはスラリー状のセメントや石灰などの安定材と原位置の地盤土を強制的に攪拌混合することによって、その化学的固結作用で地盤を強化する工法である。
③ サンドコンパクションパイル工法は、衝撃荷重や振動荷重によって砂を地盤中に圧入し砂杭を形成する工法であり、緩い砂質地盤や粘土質地盤に対して締固め効果による液状化防止の目的で用いられる。
④ プレボーリング工法は、あらかじめ地盤にアースオーガなどにより杭径より10cm程度大きめの孔をあけ、その中に既製杭を挿入する工法で、杭先端の支持力発現のため、 最終打撃を行うものと、根固め液を注入した後圧入するものとがある。
⑤ RCD工法は、セメント量の少ない超硬練りのコンクリートをブルドーザで敷き均し、 振動ローラで締め固め、ダム全面(同一標高面)を連続的に打設する工法である。
正解は③
サンドコンパクションパイル工法(SCP 工法)は、軟弱地盤中に振動や衝撃で砂を圧入して砂杭を築造し、地盤全体を締固める工法である。この工法は、緩い砂質地盤に対しては締固め効果により液状化防止に有効です。しかし、粘土質地盤に対しては、圧密を促進する効果(ドレーン効果)はあるものの、締固め効果による液状化防止の目的では基本的に用いられないからです。
技術士一次試験建設部門[専門科目]|Ⅲー33
建設工事の施工管理に関する次の記述のうち、最も不適切なものはどれか。
① 原価管理は、施工中の工事の実績を金銭面から評価し、工事を統制、改善しようとするものであり、実行予算と関係なく実際原価を分析・検討する。
② 品質管理の目的は、契約約款,設計図書等に示された規格を十分満足するような築造物を最も経済的に施工することにある。
③ 施工時の安全管理は、工事を安全に進めるうえできわめて重要であり、いかに労働災害や現場周辺の第三者災害を防止するかを常に心がけておくことが必要である。
④ 工程管理は、施工計画に基づいて施工の安全,品質の確保、工費の低減の前提のもとに工程を確保し、統制する手法とそのための活動である。
⑤ 施工計画は、「安全施工の確保」 と 「工事現場周辺の環境との調和の維持」を前提として、「品質、工程、経済性」の3条件を満たすように工事を行う方針と方法を計画することである。
正解は①
原価管理の目的は、工事を最も経済的に実施するために、施工中の工事の実績を金銭面から評価し、
工事を統制・改善することにあります。この管理において、原価の統制と改善を効果的に行うためには、
工事着手前に立てられた実行予算を基準として、実際原価と実行予算との差異を分析・検討することが
必須です。
技術士一次試験建設部門[専門科目]|Ⅲー34
建設環境関係の各種法令等に関する次の記述のうち、最も不適切なものはどれか。
① 振動規制法に定める特定建設作業の規制に関する基準では、特定建設作業の振動が、 当該特定建設作業の場所の敷地境界線において、75デシベルを超える大きさのものでないこととされている。
② 騒音規制法により、指定地域内で特定建設作業を伴う建設工事を施工しようとする者は、当該特定建設作業の開始の日の7日前までに、特定建設作業の場所及び実施の期間等を市町村長に届けなければならないとされている。
③ 大気汚染防止法の目的には、建築物の解体等に伴うばい煙、揮発性有機化合物及び粉じんの排出等の規制により、大気の汚染に関し、国民の健康を保護することが含まれる。
④ 水質汚濁防止法における「公共用水域」には、終末処理場を設置している公共下水道及び流域下水道も含まれる。
⑤ 建設工事に係る資材の再資源化等に関する法律では、特定建設資材を用いた建築物等に係る解体工事又はその施工に特定建設資材を使用する新築工事等であって一定規模以上の建設工事について、その受注者等に対し、分別解体等及び再資源化等を行うことを義務付けています。
正解は④
水質汚濁防止法における公共用水域とは、河川、湖沼、港湾、沿岸海域その他公共の用に供される水域または水路を指す。終末処理場を設置している公共下水道や流域下水道は、終末処理場での処理を経た後に公共用水域に放流される施設であり、法律上の定義では公共用水域そのものには含まれません。
技術士一次試験建設部門[専門科目]|Ⅲー35
建設環境に関する次の記述のうち、最も不適切なものはどれか。
① 脱炭素社会とは、人の活動に伴って発生する温室効果ガスの排出量と吸収作用の保全及び強化により吸収される温室効果ガスの吸収量との間の均衡が保たれた社会を意味し、 我が国においては2050年までに実現することを目指している。
② 木材は、加工に要するエネルギーが他の素材と比較して少なく、多段階における長期的利用が地球温暖化防止,循環型社会の形成に資する等環境にやさしい素材であることから、公共工事等において木材利用推進を図っている。
③ 生物多様性国家戦略とは、生物多様性条約及び生物多様性基本法に基づく、生物多様性の保全と持続可能な利用に関する国の基本的な計画であり、我が国では、平成7年に最初の生物多様性国家戦略が策定された。
④ 持続可能な開発目標(SDGs: Sustainable Development Goals) とは、2001年に策定されたミレニアム開発目標 (MDGs) の後継として、2015年9月の国連サミットで加盟国の全会一致で採択された「持続可能な開発のための2030アジェンダ」に記載された、2030年までに持続可能でよりよい世界を目指す国際目標である。
⑤ 侵略的外来種とは、外来生物 (海外起源の外来種)であって、生態系、人の生命・身体,農林水産業へ被害を及ぼすもの、又は及ぼすおそれがあるものの中から指定され、 輸入,放出,飼養等,譲渡し等の禁止といった厳しい規制がかかる。
正解は⑤
侵略的外来種は、一般的に外来生物(海外起源)の中から、生態系などに被害を及ぼすものが指定さ
れ。しかし、日本の外来生物法において規制の対象となる「特定外来生物」は、海外起源の生物に
限定されず、国内の他地域から持ち込まれた生物{国内移入種}も、生態系などに大きな被害を及ぼ
すおそれがあれば指定の対象となりうります。
技術士二次試験受験対策
技術士二次試験受験対策資料

■技術士二次試験受験対策資料【合格する論文の黄金法則】
pdf資料
1.帰納法と演繹法
2.技術士とはなにか
3.技術士二次試験の採点基準
4.業務経歴票の作成指導
5.記述式試験の採点方法
6.試験対策
7.合格する受験生不合格になる受験生の特徴
8.建設部門、上下水道部門筆記試験模範解答集
9.全7回オンライン講座の参加
10.筆記試験再現論文の査読・講評(不合格だった場合)
技術士二次試験個別指導講座
まとめ
技術士一次試験の解説をしてきました。
基本的に技術士一次試験は過去問題を中心に勉強しましょう。
過去問題で分からないことはインターネットや参考書などで補ってください。
技術士一次試験は二次試験を受験するためのパスポートです。
早めに合格して技術士二次試験に備えましょう。
メルマガ登録はこちらから


